Filtres (9715 produits)

Marque

Modèle

Pour Guide

Pour Coupe

Longueur Coupe

Dimension Pas de Chaine

Dimension A (Ø Extérieur)

Dimension A (Alésage)

Dimension A (Longueur)

Dimension B (Ø Intérieur)

Dimension B (Ø Extérieur)

Dimension B (Alésage)

Dimension B (Epaisseur)

Dimension B (Hauteur)

Dimension B (Largeur)

Dimension B (Profondeur du Puit)

Dimension C (Ø Trou Extérieur)

Dimension C (Alésage)

Dimension C (Entraxe)

Dimension C (Epaisseur)

Dimension C (Epaisseur Totale)

Dimension C (Hauteur)

Dimension D (Entraxe)

Dimension D (Epaisseur Totale)

Dimension D (Hauteur Totale)

Dimension D (Largeur)

Dimension D (Longueur Moyeu)

Dimension D (Ø trou)

Dimension E (Ø de Centrage)

Dimension E (Alésage)

Dimension E (Largeur)

Dimension E (Hauteur)

Dimension F (Ø Poulie)

Dimension F (Profondeur du puit)

Dimension Epaisseur de Chaine

Largeur de Coupe

Système de Coupe

Entrainement

Démarrage

Dimension Longueur Extérieure

Dimension Longueur Intérieur

Dimension Longueur Primitive

Dimension Longueur

Dimension Largeur

Dimension Hauteur

Dimension Ø de Sortie

Surface Maxi Recommandée

Dimension Ø Extérieur

Dimension Ø Intérieur

Tension de la Batterie

Ampérage de la Batterie

1134-3974-01 - Ressort pour Tondeuse Autoportée STIGA

1134397401
Voir nos délais de livraisons
12,02 € TTC

Quantité

Description

RESSORT pour Tondeuse Autoportée STIGA

Réf. 1134-3974-01

PIECE D ORIGINE  


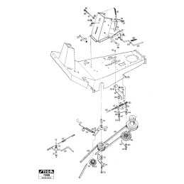
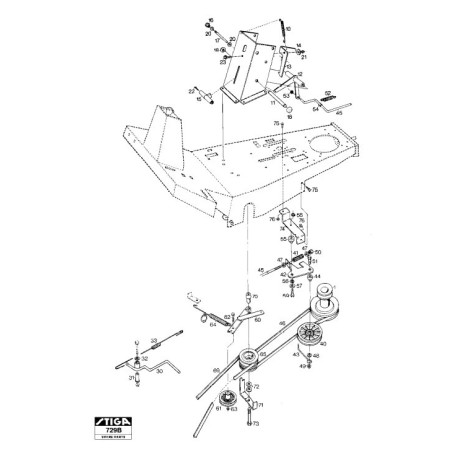
Position 52 sur la vue éclatée ci-contre 


Pour Modèle :

PARK CLASSIC - PARK PRESIDENT HST - PARK PRO16 - PARK PRO18 - VILLA CLASSIC - VILLA SENATOR 

Détails du produit
Stiga
1134397401
7313323093967

Fiche technique

Marque
Stiga
Ancienne Référence
GGP 1134397401

Suivez-nous sur Facebook